
LoRaWAN®协议,如何为工业制造的数字化转型赋能?
LoRaWAN®协议,赋能传统工业制造能效升级


数字隔离器,每天都在守护着我们的安全之“芯”
随着全球产业向智能化、自动化、精细化与规模化等方向持续发展,数字隔离器已发展成为家电器件、工业控制、能源管理与信息通讯等多种电气系统中连接“弱电”与“强电”的关键桥梁,其主要作用是通过电气隔离的方式消除高、低压电路间的干扰因素,以保证电气系统运行的稳定性与可靠性。


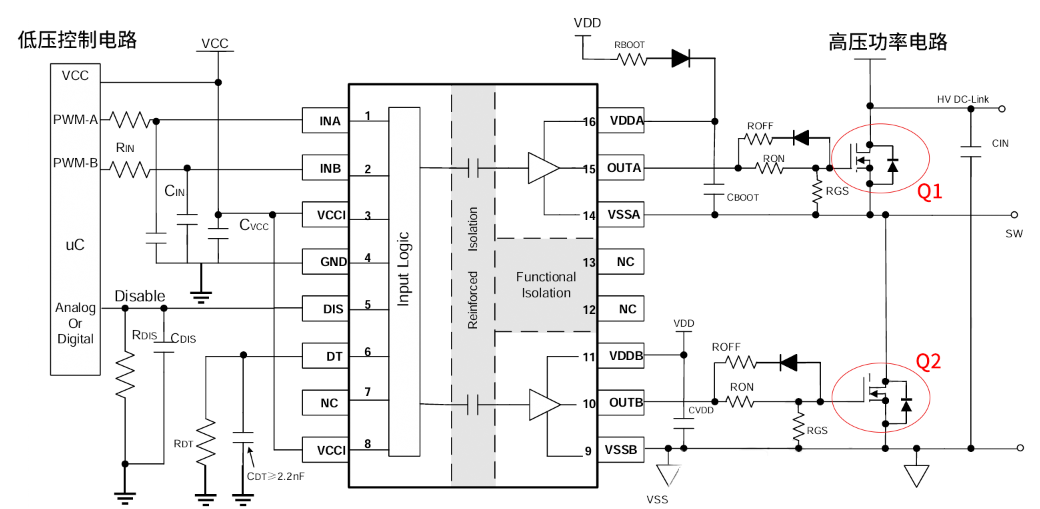
数字隔离器,变频器安全运行的 “隐形引擎”
众所周知,在工业控制领域中,变频器是一种应用变频技术与微电子技术,通过改变交流电机的供电频率和电压来精准控制电机转速的电力控制设备,其不仅能间接提升电机的能效比,实现节能减排,还集成了过流、过压、过载等保护功能,是现代工业中被广泛使用的、不可或缺的重要设备之一。


数字气压传感器,筑牢汽车TPMS胎压监测系统的精准感知基石
在汽车安全领域,胎压监测系统(TPMS)是一种用来监测轮胎气压参数,并在轮胎气压参数脱离合理范围内时能自动报警的安全系统,在提升驾驶安全性、舒适性和能源利用效率等方面发挥着关键作用。


I2C总线通信,为什么要进行电气隔离?
I2C数字隔离器作为一种专用于隔离I2C总线通信的集成电路器件,其核心价值是确保I2C协议兼容性与信号完整性的前提下,实现两个电气系统之间的电气隔离,阻断它们之间的直接电流通路,同时保证I2C通信信号(时钟SCL和数据SDA)的正常传输。


如何快速开发符合Matter标准的智能家居设备?
Matter标准是一个应用层协议,其本身并不定义新的通信协议,而是复用成熟的TCP/IP协议族(TCP/UDP为传输层协议,IPv6为网络层基础),因此采用Matter标准的智能家居设备只需遵循统一的应用层规范,即可兼容Wi-Fi、Thread、BLE与以太网等基于IP技术的底层通信协议。


立即联系智高物联专家团队,为您定制解决方案